近期搜索热词

CN
EN

ZH6350(B)

三相栅极驱动器

低压三相PN、半桥预驱

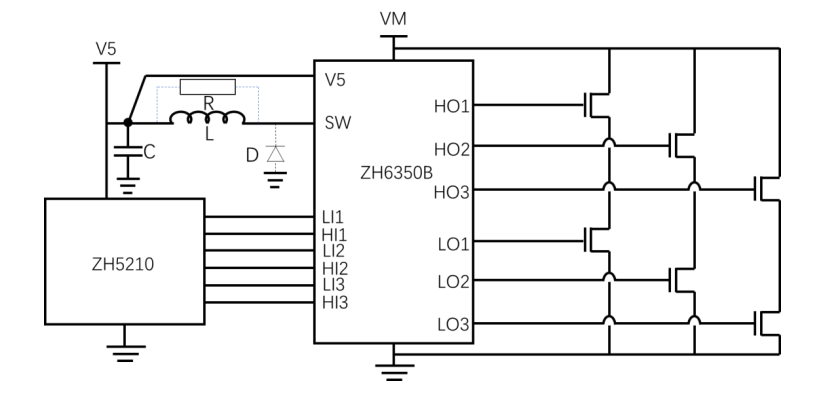
ZH6350是用于低压三相无刷电机的驱动芯片,通过输入6路PWM信号。它可以驱动3路PMOS和3路NMOS,输入电压范围0~40V。

数据表 ZH6350B_CN.pdf
ZH6350B_EN.pdf

特点和优势

最高40V

防上电串通

驱动能力100mA

防逻辑串通

欠压保护功能

自适应死区时间

订货信息

Full Name Package Packaging Quantity
ZH6350BNC QFN-16 Reel 5000
ZH6350BEC SOP-16 Reel 4000

产品应用

文档和资源

赛卓电子产品选型手册V1-25Q4.pdf

Selection Guide 下载
2025年 10月 22日

ZH6350B_CN.pdf

Datesheet 下载
2025年 11月 18日

ZH6350B_EN.pdf

Datesheet 下载
2025年 10月 24日

ZH6350(B)

ZH6350是用于低压三相无刷电机的驱动芯片,通过输入6路PWM信号。它可以驱动3路PMOS和3路NMOS,输入电压范围0~40V。

(021)6408 0230*803