近期搜索热词

CN
EN

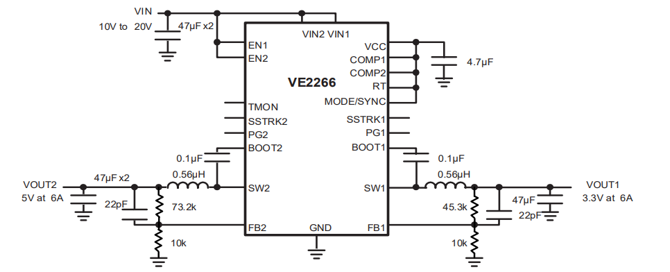
VE2266

20V/双路6A降压转换器

高效率双通道单片同步降压稳压器

VE2266 是一款高效率双通道单片同步降压稳压器,采用可控导通时间电流模式架构。其工作电源电压范围为 3.3V 至 20V,每个通道提供达6A的负载能力,适用于锂离子电池组以及 12V 或 5V 输入的负载点电源应用。

数据表 VE2266的规格书

特点和优势

输入电压范围:3.1V -20V

输出电压范围 0.6V to 5.5V或5V to 12V

负载能力: 每个通道6A

基准电压:0.6V ±1%(全温精度)

开关频率范围:500kHz to 4MHz

支持实时结温监测模拟输出

可编程软启动

优秀的外时钟同步功能

快速的负载动态响应能力

内部时钟错相180度,支持两相并联或双路独立运行

支持外时钟同步(4相并联)

支持CCM和DCM工作模式

QFN封装:QFN-34(4mm*5mm)

订货信息

Ordering Information Mark Option Temperature Range Package Pack Quantity
VE2266QH-L-TR 2266L L -40 to +125°C QFN4x5-28 TR 5000
VE2266QH-H-TR 2266H H -40 to +125°C QFN4x5-28 TR 5000
VE2266P -40 to +125°C

产品应用

电源模块

文档和资源

2025产品选型指南

Selection Guide 下载
2025年 10月 22日

VE2266的规格书

Datesheet 英文版
2025-10-24

VE2266的应用文档

Application Note

VE2266

VE2266 是一款高效率双通道单片同步降压稳压器,采用可控导通时间电流模式架构。其工作电源电压范围为 3.3V 至 20V,每个通道提供达6A的负载能力,适用于锂离子电池组以及 12V 或 5V 输入的负载点电源应用。

(021)6408 0230*803