近期搜索热词

CN
EN

SC2498T

高性能双极开关霍尔

超高耐压、反向保护、AEC-Q100

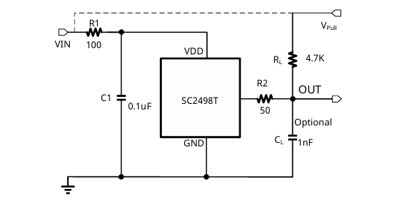
SC2498T 是一款基于 BCD 工艺技术设计的平面磁感应霍尔效应锁存器。其工作电压范围为 2.8V 至 40V。该器件将电压调节器、带动态偏移补偿系统的霍尔传感器、施密特触发器以及开漏输出驱动器集成于单一封装中。SC2498T 已通过 AEC-Q100 认证,非常适合汽车应用,并符合 ISO 26262:2011 ASIL A 标准。

数据表 SC2498T-Q_EN.pdf

特点和优势

AEC-Q100车规级认证

ISO26262 ASIL A

宽电压范围:2.8V 至 40V

宽工作温度范围:-40℃ ~ 150℃

反向保护电源电压:-28V

高抗电磁干扰和静电防护能力

输出短路和过压保护

高可靠性

小型封装:SOT23-3L (SO)

订货信息

产品名称 丝印 BOP(GS) BRP(GS) 温度范围 封装形式 包装方式 数量
SC2498TSO-TR-Q 2498T 30 -30 -40~150 SOT23-3L Reel 3000/reel

产品应用

编码器模组

助力转向EPS

天窗电机控制器

智能雨刮控制器

尾门撑杆电机

车门系统

文档和资源

赛卓电子产品选型手册V1-25Q4.pdf

Selection Guide 下载
2025年 10月 22日

SC2498T-Q_EN.pdf

Datesheet 下载
2025年 11月 21日

SC2498T

SC2498T 是一款基于 BCD 工艺技术设计的平面磁感应霍尔效应锁存器。其工作电压范围为 2.8V 至 40V。该器件将电压调节器、带动态偏移补偿系统的霍尔传感器、施密特触发器以及开漏输出驱动器集成于单一封装中。SC2498T 已通过 AEC-Q100 认证,非常适合汽车应用,并符合 ISO 26262:2011 ASIL A 标准。

(021)6408 0230*803