近期搜索热词

CN
EN

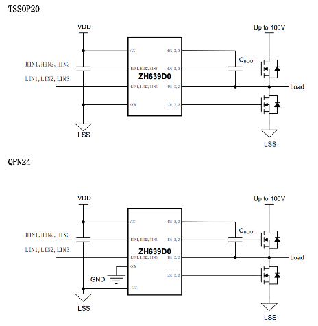
ZH639D0

三相栅极驱动器

100V三相、半桥栅极

ZH639D0是一款功率MOSFET(NN)和IGBT的低压,高速三相半桥栅极驱动器。集成三路高边和低边施密特输入,三路带有内部自适应死区时间的输出通道,以避免交叉传导。输出模块集成了拉灌平衡电路,系统中与功率管栅极间无需串接电阻二极管。高低边的输出由输入独立控制,高压侧设置了欠压保护功能。

数据表 ZH639D0的规格书

特点和优势

AEC-Q100

最高工作频率500kHz

输出等效电流能力2.5A

集成自举二极管

逻辑输入电平兼容3.3V/5V

驱动三相N沟道MOS或IGBT

高边悬浮自举电源设计,耐压120V

依负载自适应死区控制电路

高边欠压保护,内置闭锁防止直通功能

集成拉灌平衡电路,与功率管栅极无需电阻二极管

订货信息

全称 封装 包装 包装数量
ZH639D0JT TSSOP20 Reel 4000
ZH639D0NU QFN24 Reel 4000

产品应用

电剪刀电机驱动

电钻、扳机电机驱动

文档和资源

2025产品选型指南

Selection Guide 下载
2025年 10月 22日

ZH639D0的规格书

Datesheet 英文版
2025-10-24

ZH639D0的应用文档

Application Note

ZH639D0

ZH639D0是一款功率MOSFET(NN)和IGBT的低压,高速三相半桥栅极驱动器。集成三路高边和低边施密特输入,三路带有内部自适应死区时间的输出通道,以避免交叉传导。输出模块集成了拉灌平衡电路,系统中与功率管栅极间无需串接电阻二极管。高低边的输出由输入独立控制,高压侧设置了欠压保护功能。

(021)6408 0230*803