近期搜索热词

CN
EN

ZH619A0

高压半桥栅极驱动器

600V高压、具有高边和低边输入

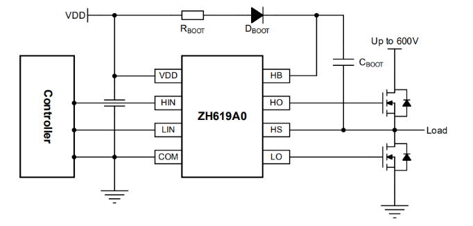
ZH619A0是用于功率MOSFET和IGBT的高压、高速半桥栅极驱动器。浮动沟道可用于驱动高边配置的 N沟道功率 MOSFET 或 IGBT,其工作电压高达 600V. ZH619A0 具有高边和低边输入,以及两个带有内部死区时间的输出通道,以避免交叉传导。高低边的输出由输入独立控制,高边和低边均设置了欠压保护功能。

数据表 ZH619A0的规格书

特点和优势

输出电流能力IO+0.3A/-0.5A

逻辑输入电平兼容3.3V/5V/15V

内置欠压保护功能

驱动高边和低边N沟道功率MOSFET

内置死区控制电路(典型100ns)

高端悬浮自举电源设计,耐压可达625V

高边输出与高边输入同相

低边输出与低边输入同相

订货信息

器件型号 封装形式 丝印
ZH619A0 SOP8 ZH619A0

产品应用

文档和资源

2025产品选型指南

Selection Guide 下载
2025年 10月 22日

ZH619A0的规格书

Datesheet 下载
2025年 10月 24日

ZH619A0的应用文档

Application Note

ZH619A0

ZH619A0是用于功率MOSFET和IGBT的高压、高速半桥栅极驱动器。浮动沟道可用于驱动高边配置的 N沟道功率 MOSFET 或 IGBT,其工作电压高达 600V. ZH619A0 具有高边和低边输入,以及两个带有内部死区时间的输出通道,以避免交叉传导。高低边的输出由输入独立控制,高边和低边均设置了欠压保护功能。

(021)6408 0230*803