近期搜索热词

CN
EN

SC69401DC

高精度磁性角度传感器IC

基于差分霍尔磁感应原理、提供多种输出方式

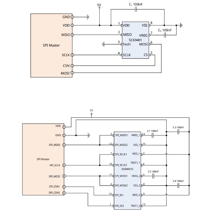
SC69401是赛卓电子推出的基于差分霍尔磁感应原理的角度位置传感器芯片。芯片中心内置了全差分霍尔感应矩阵,通过感应上方的一对极S/N磁铁产生与之对应的正余弦位置信号。信号经前级放大器放大之后由内部的模数转换电路进行采样,芯片专有的DSP电路进行角度运算,最后通过多种接口形式输出磁铁转动的绝对位置信息(0-360度)。

数据表 SC69401Q_CN.pdf
SC69401Q_EN.pdf
SC69401_CN.pdf
SC69401_EN.pdf

特点和优势

AEC-Q100 Grade0 认证

ISO26262 ASILB 认证

高精度旋转绝对角度位置检测

磁路设计简单

宽工作温度范围: -40°C到160°C

可选输出模式: 模拟、PWM、SPI 可编程角度测量范围 (角度可达 360°) 可编程线性传输特性 (任意4点、8 点或者范围可选的 16 段、32 段等分曲线)

32 位可编程用户

ID差分霍尔感应,抵抗杂散磁场干扰

丰富的片上诊断功能

过流、过压保护;欠压保护

封装形式:SOP8,eTSSOP-16L

订货信息

产品名称 丝印 选项 等级 温度范围(℃) 封装外形 包装方式 数量
SC69401DC-TR-Q 69401 - Q -40~160 SOP8 编带 4000颗/盘
SC69401DC-TR 69401 - - -40~160 SOP8 编带 4000颗/盘
SC69401DC-SPI3P3-TR-Q 69401 SPI Q -40~160 SOP8 编带 4000颗/盘
SC69401DC-SPI-TR-Q 69401 SPI Q -40~160 SOP8 编带 4000颗/盘
SC69401HS-TR-Q 69401 - Q -40~160 eTSSOP-16L 编带 4000颗/盘
SC69401HS-TR 69401 - - -40~160 eTSSOP-16L 编带 4000颗/盘
SC69401HS-SPI-TR-Q 69401 SPI Q -40~160 eTSSOP-16L 编带 4000颗/盘

产品应用

折叠屏

电子油门踏板

车身高度传感器

2D手柄

电子油门踏板

后轮转向

转把

吊车工业摇杆

挖掘机工业摇杆

油箱液位传感器

电子换挡器

EGR阀

发动机电子节气门

涡轮增压器执行器

空调出风口

多通阀

组合开关

文档和资源

赛卓电子产品选型手册V1-25Q4.pdf

Selection Guide 下载
2025年 10月 22日

SC69401Q_CN.pdf

Datesheet 下载
2026年 4月 29日

SC69401Q_EN.pdf

Datesheet 下载
2026年 4月 29日

SC69401_CN.pdf

Datesheet 下载
2026年 4月 29日

SC69401_EN.pdf

Datesheet 下载
2026年 4月 29日

SC69401DC

SC69401是赛卓电子推出的基于差分霍尔磁感应原理的角度位置传感器芯片。芯片中心内置了全差分霍尔感应矩阵,通过感应上方的一对极S/N磁铁产生与之对应的正余弦位置信号。信号经前级放大器放大之后由内部的模数转换电路进行采样,芯片专有的DSP电路进行角度运算,最后通过多种接口形式输出磁铁转动的绝对位置信息(0-360度)。

(021)6408 0230*803