Characteristics and advantages
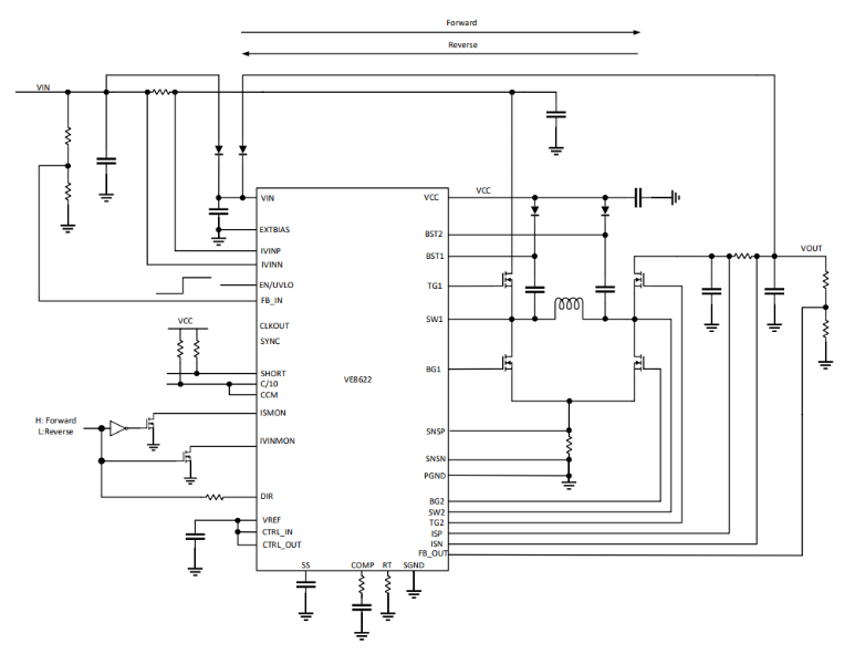
Selectable bidirectional operation mode
Four-switch single-inductor architecture allows VIN to be higher, lower, or equal to VOUT
Synchronous switching operation: up to 98.5% efficiency
Wide VIN range: 4.7V to 60V
1% output voltage accuracy: 1.2V ≤ VOUT < 60V
6% output current accuracy: 0V ≤ VOUT < 60V
Input and output constant current control and current monitoring
No top FET refresh in buck or boost mode
VOUT disconnected from VIN during shutdown
C/10 charge termination and output short-circuit flag
Each IC delivers 100W or greater power
Simple parallel capability for increased output power
38-pin TSSOP package with E-PAD

