Characteristics and advantages
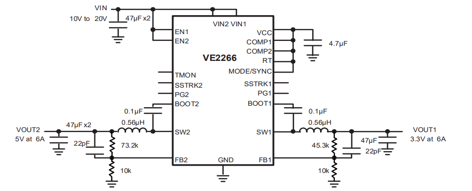
Input Voltage Range: 3.1V to 20V
Output Voltage Range: 0.6V to 5.5V or 5V to 12V
Load Capacity: 6A per channel
Reference Voltage: 0.6V ±1% (full temperature accuracy)
Switching Frequency Range: 500kHz to 4MHz
Supports real-time junction temperature monitoring analog output
Programmable soft-start
Excellent external clock synchronization capability
Fast load dynamic response capability
Internal clock phase-shifted 180 degrees, supporting two-phase parallel operation or dual independent operation
Supports external clock synchronization (4-phase parallel operation)
Supports CCM and DCM operating modes
QFN Package: QFN-34 (4mm × 5mm)

