Characteristics and advantages
Compliant to AEC-Q100
Compliant to ISO26262 up to ASIL-B
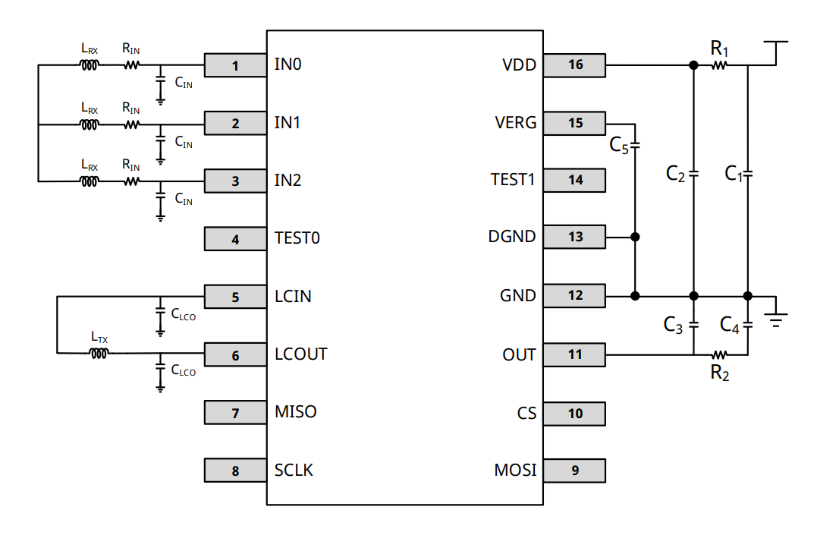
Inductive encoder - based signal processing IC, enabling through barrier operation.
Ambient Operating Temperature Range:-40°C-150°C
High Breakdown Voltage: 40V
Selectable outputs: Analog, PWM, SPI and SAE J2716 - compliant SENT
Programmable linear transfer characteristics (supports 4 - point/8 - point, or 16 - segment/32 - segment curves)
Integrated sine - cosine signal self - calibration
32 bit programmable user ID.
Rich on - chip diagnostics
Open wire detection (VDD/VSS open - circuit)
Overcurrent and overvoltage protection; undervoltage detection
TSSOP-16 Package RoHS Compliant

