Characteristics and advantages
AEC-Q100 qualified
Maximum operating frequency: 500kHz
Output equivalent current capability: 2.5A
Integrated bootstrap diode
Logic input levels compatible with 3.3V/5V
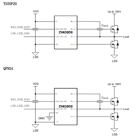
Drives three-phase N-channel MOSFETs or IGBTs
High-side floating bootstrap power supply design, 120V withstand voltage
Load-adaptive dead-time control circuit
High-side under-voltage protection with built-in lockout to prevent short-circuit
Integrated pull-up/pull-down balancing circuit, no resistor-diode required with power transistor gates

