Characteristics and advantages
Maximum 40V
Power-on short-circuit protection
100mA drive capability
Logic short-circuit protection
Undervoltage protection
Adaptive dead time
Three-phase gate driver
Low-voltage three-phase PN, half-bridge pre-driver
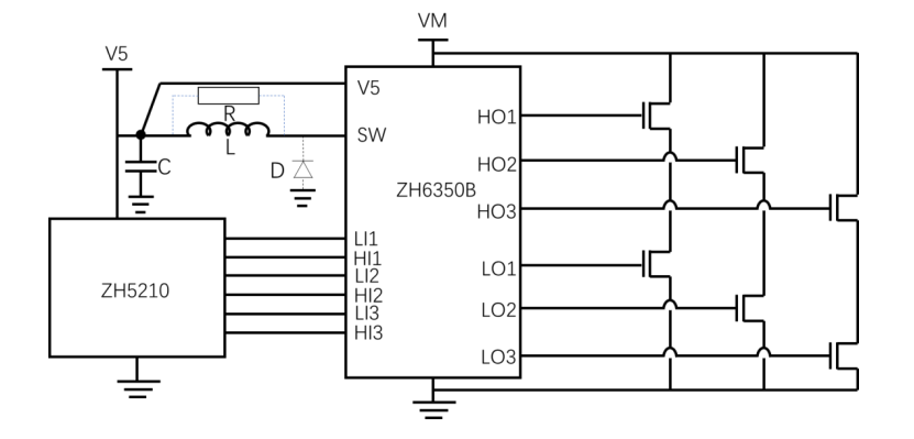
The ZH6350 is a driver chip for low-voltage three-phase brushless motors, accepting six PWM input signals. It can drive three PMOS and three NMOS channels, with an input voltage range of 0 to 40V.
Characteristics and advantages
Maximum 40V
Power-on short-circuit protection
100mA drive capability
Logic short-circuit protection
Undervoltage protection
Adaptive dead time
Ordering Information
| Ordering Information | Package | Pack | Quantity |
|---|---|---|---|
| ZH6350BNC | QFN-16 | Reel | 5000 |
| ZH6350BEC | SOP-16 | Reel | 4000 |
Product Application
Documents and Resources
Semiment Product Selection Guide
ZH6350(B) Datasheet
Application Note for ZH6350(B)
The ZH6350 is a driver chip for low-voltage three-phase brushless motors, accepting six PWM input signals. It can drive three PMOS and three NMOS channels, with an input voltage range of 0 to 40V.
Follow us on LinkedIn and WeChat for the latest updates and innovations.