Recent hot search terms

EN
CN

SC9621VB

Voltage-type Square Output High Accuracy Speed Sensor IC

High Sensitivity、Differential Hall、Zero Crossing Output Toggle

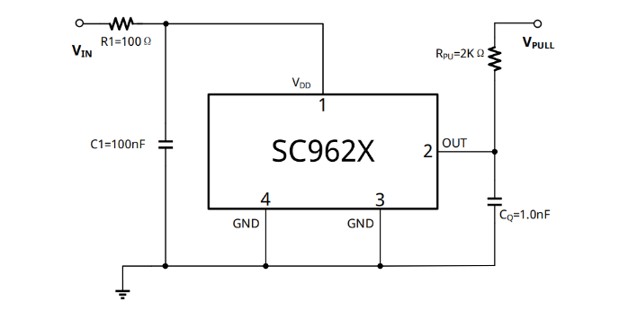
Differential Hall effect sensor IC SC962X has two hall induction points inside, and the magnetic field induced by it will perform differential calculation, so that the chip has high sensitivity and large detection air gap characteristics. Magnetic ring or back magnetic detection gear can be detected. It has a wide operating voltage range and operating temperature range, as well as a high EMC robustness, and passes the AECQ100 Grade0 assessment, so it is very suitable for speed detection in automobiles, such as crankshaft sensor, transmission. The SC9621 is an output flip when the differential magnetic field is zero, and has hysteresis judgment to prevent false triggering, thus guaranteeing its excellent repeatability and reliable accuracy. If the back magnetic detects the gear, the flip point is in the center of the tooth.

data table SC9621VB Datasheet

Characteristics and advantages

Support zero crossing or threshold crossing

South and North pole pre-induction possible

Large air gap

Single chip solution

3.8V~26V power supply voltage range

-40℃ to 150℃ operating temperature range

Protection against overvoltage

Protection against reversed polarity

AEC-Q100 Grade0 qualified

Package:TO-94

Ordering Information

Ordering Information Marking Trigger mode Class Ambient, TA(℃) Package Packing Quantity
SC9621VB-BK 9621 Zero - -40 ~ 150 TO-94 Bulk 500/bag
SC9621VB-TR-Q 9621 Zero Q -40 ~ 150 TO-94 Tape & reel 2000/reel
SC9625VB-BK 9625 Threshold - -40 ~ 150 TO-94 Bulk 500/bag
SC9625VB-TR-Q 9625 Threshold Q -40 ~ 150 TO-94 Tape & reel 2000/reel

Product Application

Crankshaft Position Sensor

Documents and Resources

Semiment Product Selection Guide

Selection Guide English version
2025-10-22

SC9621VB Datasheet

Datesheet English version
2025-10-22

Application Note for SC9621VB

Application Note

SC9621VB

Differential Hall effect sensor IC SC962X has two hall induction points inside, and the magnetic field induced by it will perform differential calculation, so that the chip has high sensitivity and large detection air gap characteristics. Magnetic ring or back magnetic detection gear can be detected. It has a wide operating voltage range and operating temperature range, as well as a high EMC robustness, and passes the AECQ100 Grade0 assessment, so it is very suitable for speed detection in automobiles, such as crankshaft sensor, transmission. The SC9621 is an output flip when the differential magnetic field is zero, and has hysteresis judgment to prevent false triggering, thus guaranteeing its excellent repeatability and reliable accuracy. If the back magnetic detects the gear, the flip point is in the center of the tooth.

(021)6408 0230*803