产品介绍
              SC69510
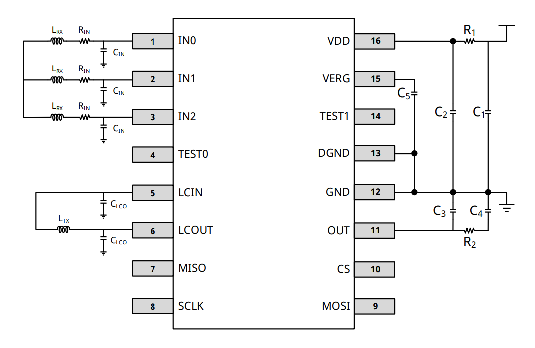
封装形式:TSSOP-16
SC69510是一个车规级可穿轴的高精度电感式位置传感器芯片。配合合理的线圈设计,可以计算出转子的绝对位置(如0至360度的旋转位置)或者绝对线性位置。满足汽车和工业应用场景中所涉及的非接触式位置传感器。SC69510提供丰富的输出接口,包含12bits Analog输出,16bits PWM输出和标准协议SENT输出。SC69510作为一颗主要面向汽车应用的传感器芯片,提供了丰富的片上诊断功能。芯片在设计开发过程中遵循ISO 26262标准进行,符合ASIL-B等级。 SC69510采用TSSOP-16封装,亚光镀锡,采用无卤绿料,满足环保需求。
            