Product Description
SC69510
Package: TSSOP-16
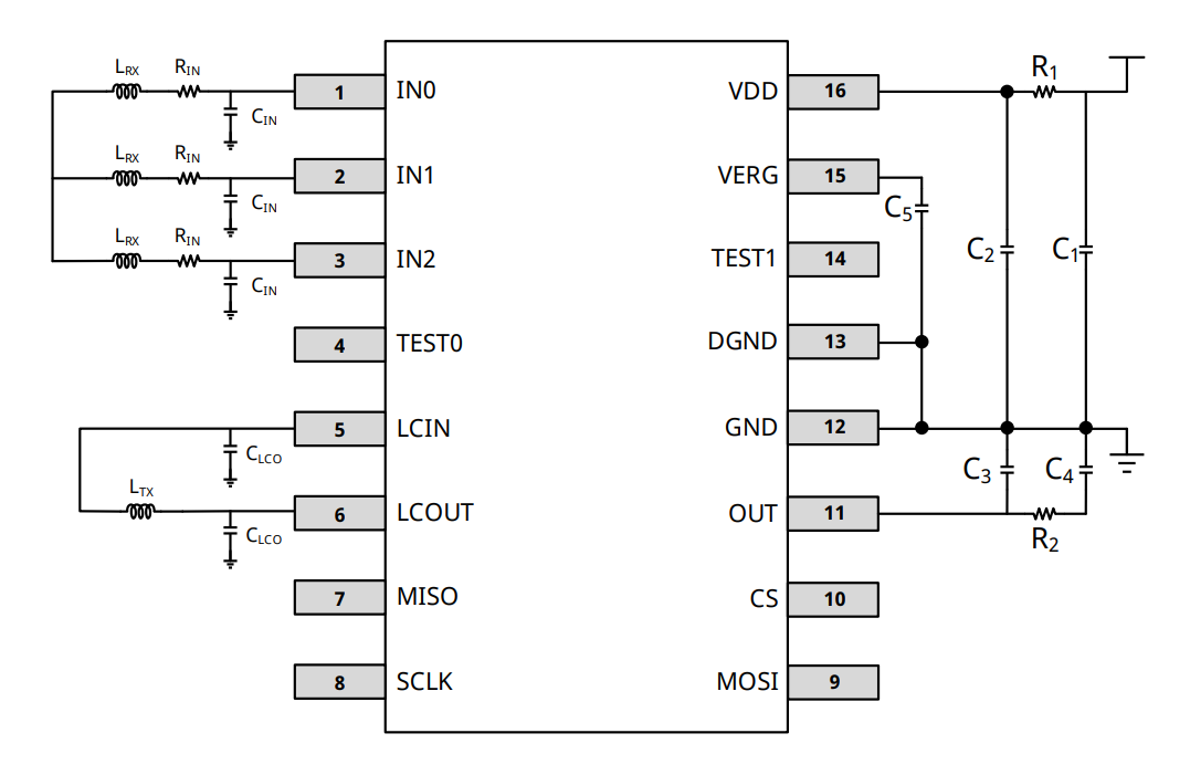
SC69510 is an AEC-Q100 qualified, high-precision inductive position sensor IC with through-shaft capability. Paired with optimized coil designs, it calculates absolute angular (e.g., 0–360°) or linear positions for non-contact sensing in automotive and industrial applications.SC69510 offers versatile output interfaces, including 12-bit Analog, 16-bit PWM, and SAE J2716-compliant SENT. SC69510, designed for automotive applications, integrates comprehensive on-chip diagnostics. Developed in compl
